返回顶部
扫一扫
联系电话
免费咨询热线:0535-2119915
丨
网站地图
丨
联系我们
网站首页
我们的服务
按参数
按行业
按服务
服务流程
资源中心
测试申请表
技术资料
新闻资讯
公司资讯
行业资讯
走进同济
同济印象
品牌文化
战略规划
办公环境
资质荣誉
仪器设备
服务合作
联系我们
新闻资讯
公司资讯
行业资讯
首页
新闻资讯
公司资讯
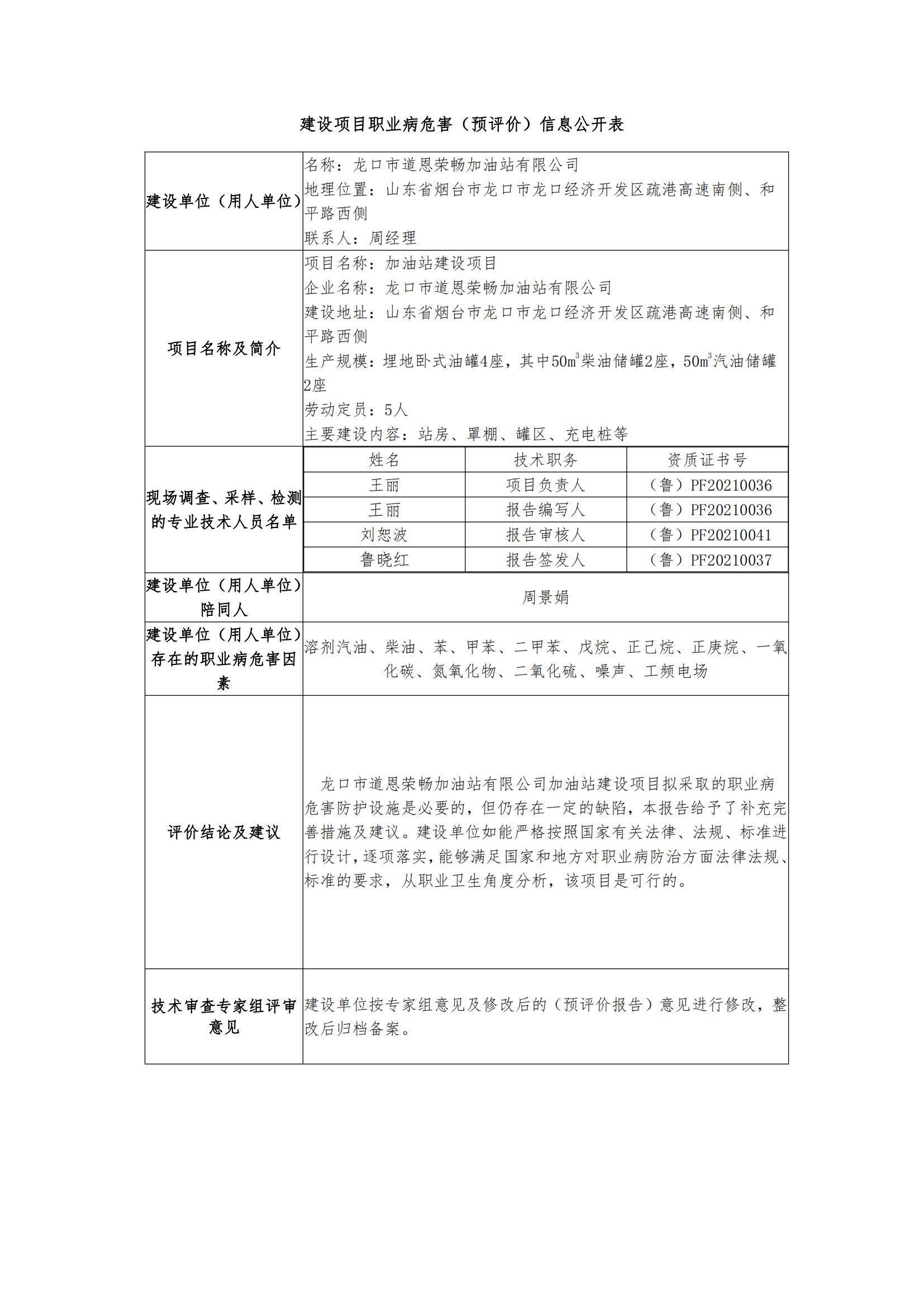
龙口市道恩荣畅加油站有限公司建设项目职业病危害(预评价)信息公开
2022-07-01
点击量:268
推荐新闻
冠霖汽车零部件(烟台)有限公司 2025年度职业病危害现...
2025-12-31
烟台和鑫博工程机械配件有限公司 2025年度职业病危害现...
2025-11-20
莱阳市鸿达筑路机械制造有限公司 2025年度职业病危害现...
2025-11-27
上一篇:
烟台兴财动配有限公司建设项目职业病危害(现状评价)信息公开
下一篇:
龙口市磊昊建材有限公司建设项目职业病危害(控制效果评价)信息公开
返回列表